Electrically Actuated Clutches Through Shaft Types 101-__-15
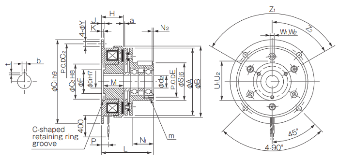
The 101 model Through-Shaft Type 15 armature is intended for a through-shaft connection. In this type, the armature is supported with internal bearings and is mounted on the same shaft as the rotor. Please refer to the instruction manual during installation, as this device requires a pre-set air gap along with and perpendicularity / run-out tolerances for proper operation.
