Standard Shape Type Micro Brakes 112-__-11

Click image to enlarge
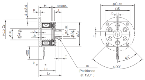
The Type-11 armature on the 112 model features the hub protruding externally from the top of the brake.  This type is applied when space is needed within the inside diameter of the stator to accommodate mating components on the machine.  The 112 brake functions as power-on engaged, so it stops and holds rotation when energized.  

 
A product measurement diagram for 112 model spring actuated brakes with a type-11 armature