Types for Through or Butt Shaft 102-__-33

Click image to enlarge
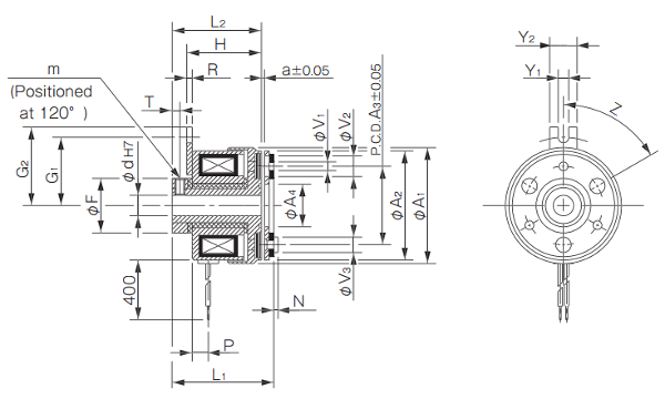
The 102 model for Through or Butt Shaft (Type-33) armature is intended for direct-mounting to a customer-supplied pulley, sprocket, or hub.  The armature includes a bolt pattern for this purpose. This is to be shaft-mounted, and includes an anti-rotation bracket to be connected to the machine structure during installation. Reference the instruction manual during installation, as this device requires a pre-set air gap with and perpendicularity / run-out tolerances for proper operation.


 
A product measurement diagram for the 102 model micro-clutch with a type-33 armature