ALS-040-R Clamp

Part Number: ALS-040-R Clamp
Quantity:
Traditional sintered version available for all quantities and sizes.
New Machined Steel version available for quantities over 50-pcs.  Contact factory for more information.

als-040-r_clamp
place_order-als_r_clamp

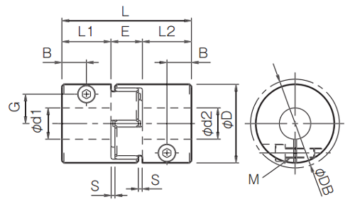
Shaft Couplings ALS-040-R Clamp Specifications

  • Nominal Torque (Nm): 17.0
  • Maximum Torque (Nm): 34
  • Bore Range (mm): 11 - 20
  • Outer Diameter (D) mm: 40.00
  • Length (L) mm: 66.00
  • Width (S) mm: 2.00
  • Dimension B (mm): 12.50
  • Dimensions L1 (mm): 25.0
  • Dimensions L2 (mm): 25.0
  • Maximum RPM: 11,900
  • Mass (kg): 0.150
  • Misalignment Angular (degrees): 1
  • Misalignment Axial (mm): 0 ~+ 1.2
  • Misalignment Parallel (mm): 0.10
Click image to enlarge

ALS-040-R Clamp

Category: ALS-R


Adobe 3D PDF help

Product Details

Configuration
Bore Size d1 (small diameter)
Bore Size d2 (large diameter)