My Account
Submit Quote
View RFQ
Press Releases
Magnetic Couplings Press Release
CSZ Clutches Press Release
Micro Brakes Press Release
BXW Brakes Press Release
BXR Brake Application Press Release
New SFF Flexible Couplings from Miki Pulley
BXR Brake Application Press Release
About us
Video
Worldwide Network
Miki Pulley Japan
Downloads
Request for Quote
Contact Us
800-533-1731
EM Brakes
Spring Actuated Brakes
BXR-LE Model Brake
BXR Model Brake
BXW Model Brake
BXW-R Model Brake
BXL Model Brake
BXH Model Brake
Electromagnetic Actuated Brakes (Power-On-Engaged)
111 Model Brakes
BSZ Model Brakes
EM Micro-Brakes
112 Model Micro Brakes
EM Clutch/Brake Combo Units
Custom Spring Applied Brakes
EM Clutches
Electromagnetic Actuated Clutches
101 Model Clutches
CSZ Model Clutches
CS Model Clutches
EM Micro-Clutches
102 Model Micro-Clutch
CYT Model Micro-Clutch
EM Tooth Clutches
EM Clutch/Brake Combo Units
Shaft Couplings
Metal Disc Couplings
SFC Servo Coupling
SFF(N) Servo Coupling
SFF Wedge Coupling
SFS Coupling
SFM Coupling
SFH Coupling
Jaw & Spider Couplings
ALS-R
ALS-Y
ALS-B
AL SprFlex Coupling
Bellows Couplings
Slit Style Couplings
Pin & Hub Couplings
CPE Models
CPU Models
Rigid Couplings
Spring and Coil Couplings
LM / ZG Models
MM Models
MF Models
Magnetic Couplings
Standard Coaxial Type AA
Parallel Cylinder Type EE
Orthogonal Cylinder Type BB
Cylinder x Orthogonal Disk Type BC
Orthogonal Cylinder Type DD
Shaft / Hub Locking Devices
Custom Shaft Couplings
Speed Control
Belted Speed Change Devices
Single Element Belted
Industries Served
Automation & Robotics
Automation Equipment
Motion Control & Power Transmission
Printing Machine Applications
Medical Equipment Applications
CNC Machine Tool Applications
Transportation Applications
Industrial Equipment & Machinery
Material Handling
Industrial Overhead Doors
Pump Applications
CNC Lathe Applications
Electronic & Semiconductor
Semiconductor Manufacturing Equipment
Energy & Renewable Resources
Wind Turbine Applications
Printing & Packaging
Printing & Packaging Solutions
Resources
Videos
Electromagnetic Brakes Video
Electromagnetic Clutches Video
EM Clutches Guide
Technical Glossary
Home
>
Shaft Couplings
>
Jaw & Spider Couplings
>
ALS-Y
> Clamp Hub
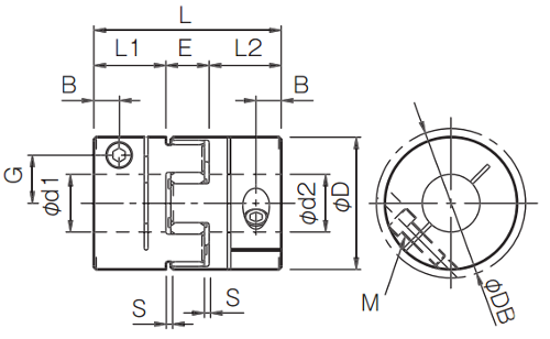
ALS-Y Clamp Hub
Contact us
Request for Quote
Click image to enlarge
Contact us
Request for Quote
The Clamp Hub options allows for installation with one clamping screw per hub. The clamp screw clamps the hub to the shaft, providing a secure connection for torque transmission.
Catalog Download
Manual Download
Datasheet Download
Narrow Your Results By:
Shaft Couplings
Metal Disc Couplings
SFC Servo Coupling
SFF(N) Servo Coupling
Single Element Type
Double Element Type
SFF Wedge Coupling
SFS Coupling
SFM Coupling
SFH Coupling
Jaw and Spider Couplings
ALS-R
ALS-R Clamp Hub
ALS-R Set-Screw/Keyway Hub
ALS-Y
ALS-Y Clamp Hub
ALS-Y Set-Screw/Keyway Hub
ALS-B
ALS-B Clamp Hub
ALS-B Set-Screw/Keyway Hub
AL SprFlex Coupling
Bellows Couplings
Slit Style Couplings
Pin & Hub Couplings
CPE Models
CPU Models
Rigid Couplings
Spring and Coil Couplings
LM / ZG Models
MM Models
MF Models
Magnetic Couplings
Standard Coaxial Type AA
Parallel Cylinder Type EE
Orthogonal Cylinder Type BB
Cylinder x Orthogonal Disk Type BC
Orthogonal Cylinder Type DD
Shaft / Hub Locking Devices
Custom Shaft Couplings
Worldwide Partner
Network