ALS-055-Y Keyway

Part Number: ALS-055-Y Keyway
Quantity:
als-055-105-y_keyway
place_order-als_y_key

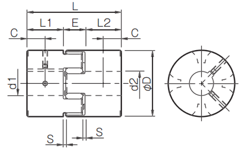
Shaft Couplings ALS-055-Y Keyway Specifications

  • Nominal Torque (Nm): 35.0
  • Maximum Torque (Nm): 70
  • Bore Range (mm): 15 - 28
  • Outer Diameter (D) mm: 55.00
  • Length (L) mm: 78.00
  • Width (S) mm: 2.00
  • Dimension C (mm): 15.00
  • Dimensions L1 (mm): 30.0
  • Dimensions L2 (mm): 30.0
  • Maximum RPM: 8,700
  • Mass (kg): 0.350
  • Misalignment Angular (degrees): 1
  • Misalignment Axial (mm): 0 ~+ 1.4
  • Misalignment Parallel (mm): 0.15
Click image to enlarge

ALS-055-Y Keyway

Category: ALS-Y


Adobe 3D PDF help

Product Details

Configuration
Bore Size d1 (small diameter)
Bore Size d2 (large diameter)