111-20-12G-24V

Part Number: 111-20-12G-24V
Quantity:
111-12
place_order-111-12

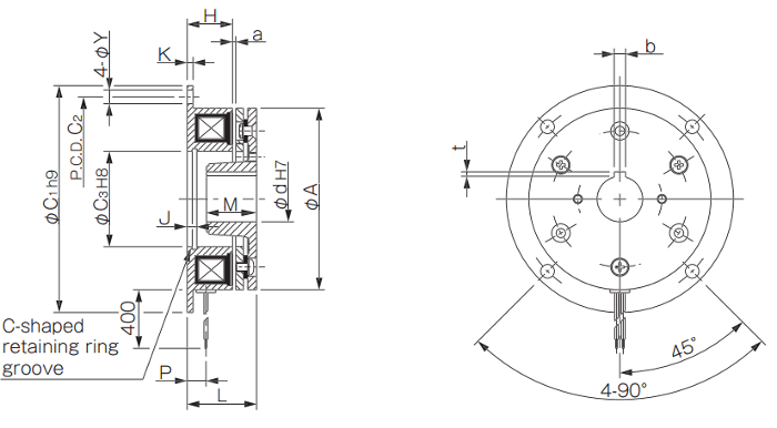
Electromagnetic Brakes (E.M.) 111-20-12G-24V Specifications

  • Dynamic Friction Torque (Nm): 160.0
  • Static Friction Torque TC (Nm): 175.0
  • Maximum RPM: 2,500
  • Outer Diameter (A) mm: 200.00
  • Overall Height (L) mm: 41.50
  • Flange dimension (C1) mm: 230.00
  • Bolt Circle (C2) mm: 215.0
  • Stator Inside Diameter (C4) mm: 100.0
  • Stator Height (H) mm: 30
  • Armature Pull-in Time (seconds): 0.065
  • Heat Resistance Class: B
  • Mass (kg): 7.100
  • Total Work Performed ET (J): 10×10⁸
  • Coil Voltage (V): DC24
  • Coil Wattage (W): 45
  • Coil Resistance (ohms): 13
Click image to enlarge

111-20-12G 24V

Category: Slim, Space Saving Type 111-__-12


Adobe 3D PDF help

Product Details

Configuration
Bore Dia d H7 (mm)