BXR-14-20

Part Number: BXR-14-20
Quantity:
bxr-20
place_order-bxr-20

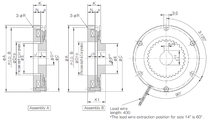
Electromagnetic Brakes (E.M.) BXR-14-20 Specifications

  • Static Friction Torque (Nm): 38.0
  • Maximum RPM: 3,600
  • Outside Diameter (A) mm: 167.50
  • Bolt Circle Diameter (B) mm: 158.00
  • Armature Pull-in Time (seconds): 0.12
  • Backlash: 0.2
  • Inner Diameter of Stator (C) mm: 166.00
  • Overall Height (K) mm: 25.0
  • Mass (kg): 3.40
  • Total Braking Energy (J): 3×10⁶
  • Coil Voltage (V): 24
  • Coil Resistance (ohms): 19
Click image to enlarge

BXR-14-20

Category: Updated BXR Model Brake


Adobe 3D PDF help

Product Details

Configuration
Static Friction Torque TC
Coil Voltage (V)
Bore Dia d H7 (mm)