102-02-35-24V

Part Number: 102-02-35-24V
Quantity:
102-35
place_order-102-35

Electromagnetic (E.M.) Clutches 102-02-35-24V Specifications

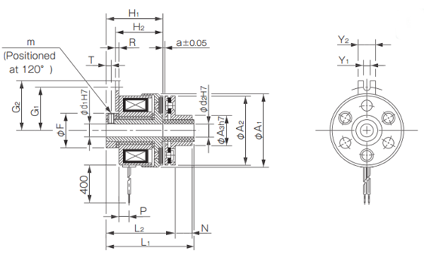
  • Dynamic Friction Torque (Nm): 0.4
  • Outer Diameter (A1) mm: 31.00
  • Rotor Bore Diameter (d1, H7) mm: 5
  • Armature Bore Diameter (d2, H7) mm: 5
  • Height (L1) mm: 25.9
  • Allowable Engaging Energy E ea (J): 1,500
  • Armature Pull-in Time (seconds): 0.009
  • Heat Resistance Class: B
  • Coil Voltage (V): DC24
  • Coil Wattage (W): 6
  • Coil Resistance (ohms): 96
  • Mass (kg): 0.082
  • Maximum RPM: 500
  • 102-02-35-24V

102-02-35 24V

Category: Through Shaft Type 102-___35


Adobe 3D PDF help

Product Details

Configuration
Rotor Bore (mm)
Armature Bore (mm)