CYT-025-33B-24V

Part Number: CYT-025-33B-24V
Quantity:
cyt-025
place_order-cyt-025

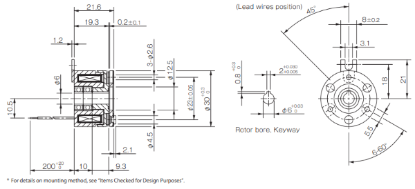
Electromagnetic (E.M.) Clutches CYT-025-33B-24V Specifications

  • Dynamic Friction Torque (Nm): 0.4
  • Outer Diameter (A1) mm: 30
  • Overall Height (L1) mm: 21.6
  • Maximum RPM: 3,600
  • Heat Resistance Class: B
  • Allowable Engaging Energy E ea (J): 800
  • Armature Pull-in Time (seconds): 0.014
  • Coil Voltage (V): DC24
  • Coil Wattage (W): 5
  • Coil Resistance (ohms): 128
  • Mass (kg): 0.07
  • CYT-025-33B-24V

CYT-025-33B 24V

Category: Updated CYT Model Micro-Clutch


Adobe 3D PDF help

Product Details

Configuration
Bore Dia d H7 (mm)