My Account
Submit Quote
View RFQ
Press Releases
Magnetic Couplings Press Release
CSZ Clutches Press Release
Micro Brakes Press Release
BXW Brakes Press Release
BXR Brake Application Press Release
New SFF Flexible Couplings from Miki Pulley
BXR Brake Application Press Release
About us
Video
Worldwide Network
Miki Pulley Japan
Downloads
Request for Quote
Contact Us
800-533-1731
EM Brakes
Spring Actuated Brakes
BXR-LE Model Brake
BXR Model Brake
BXW Model Brake
BXW-R Model Brake
BXL Model Brake
BXH Model Brake
Electromagnetic Actuated Brakes (Power-On-Engaged)
111 Model Brakes
BSZ Model Brakes
EM Micro-Brakes
112 Model Micro Brakes
EM Clutch/Brake Combo Units
Custom Spring Applied Brakes
EM Clutches
Electromagnetic Actuated Clutches
101 Model Clutches
CSZ Model Clutches
CS Model Clutches
EM Micro-Clutches
102 Model Micro-Clutch
CYT Model Micro-Clutch
EM Tooth Clutches
EM Clutch/Brake Combo Units
Shaft Couplings
Metal Disc Couplings
SFC Servo Coupling
SFF(N) Servo Coupling
SFF Wedge Coupling
SFS Coupling
SFM Coupling
SFH Coupling
Jaw & Spider Couplings
ALS-R
ALS-Y
ALS-B
AL SprFlex Coupling
Bellows Couplings
Slit Style Couplings
Pin & Hub Couplings
CPE Models
CPU Models
Rigid Couplings
Spring and Coil Couplings
LM / ZG Models
MM Models
MF Models
Magnetic Couplings
Standard Coaxial Type AA
Parallel Cylinder Type EE
Orthogonal Cylinder Type BB
Cylinder x Orthogonal Disk Type BC
Orthogonal Cylinder Type DD
Shaft / Hub Locking Devices
Custom Shaft Couplings
Speed Control
Belted Speed Change Devices
Single Element Belted
Industries Served
Automation & Robotics
Automation Equipment
Motion Control & Power Transmission
Printing Machine Applications
Medical Equipment Applications
CNC Machine Tool Applications
Transportation Applications
Industrial Equipment & Machinery
Material Handling
Industrial Overhead Doors
Pump Applications
CNC Lathe Applications
Electronic & Semiconductor
Semiconductor Manufacturing Equipment
Energy & Renewable Resources
Wind Turbine Applications
Printing & Packaging
Printing & Packaging Solutions
Resources
Videos
Electromagnetic Brakes Video
Electromagnetic Clutches Video
EM Clutches Guide
Technical Glossary
Home
>
Shaft Couplings
>
Metal Disc Couplings
>
SFF Servo Coupling
>
Single Element Type
> SFF-060SS-16BK-18BK-60N
SFF-060SS-16BK-18BK-60N
Part Number: SFF-060SS-16BK-18BK-60N
Quantity:
Add to Quote
Shaft Couplings
SFF-060SS-16BK-18BK-60N
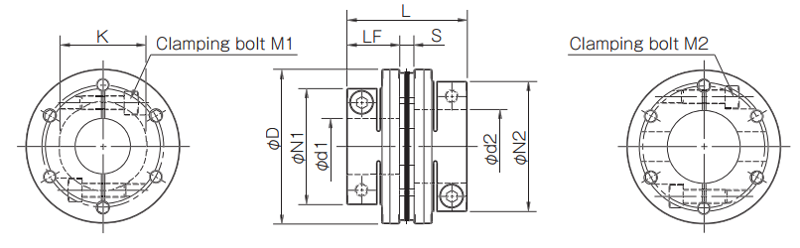
Specifications
Rated Torque (Nm):
60.00
Bore 1 Size (d1) mm:
16
Bore 2 Size (d2) mm:
18
Outer Diameter (D) mm:
58.00
Length (mm):
53.40
Width (S) mm:
5.40
Hub 1 Diameter (N1) mm:
44
Hub 2 Diameter (N2) mm:
44
Inside Disc Diameter (K) mm:
32.0
Maximum RPM:
18,000
Mass (kg):
0.470
Torsional Stiffness (Nm/rad):
104,000
Axial Stiffness (N/mm):
399
Misalignment Angular (degrees):
1
Misalignment Axial (mm):
0.3
Misalignment Parallel (mm):
0.02
SFF-060SS-16BK-18BK-60N
Category:
Single Element Type
Request Quote
Quantity
Request Quote
Download CAD
Choose a CAD format
View 3D Model
Adobe 3D PDF help
View 2D Model
Line Drawing - Click to Enlarge
Product Details
Outer Diameter D (in)
2.283
K (in)
1.26
Length (in)
2.102
LF (in)
0.945
Mass (lb)
1.036
Max. Rotation Speed (min-1) (rpm)
18,000
Misalignment Angular (degrees)
1
Misalignment Axial (in)
0.3
Misalignment Parallel (in)
0.001
N1 (in)
1.7
N2 (in)
1.7
Rated Torque (ft lb)
44.25
Width (S) (in)
0.213
Bore 1 Size (d1) (in)
0.6
Bore 2 Size (d2) (in)
0.7
Shaft Couplings
Metal Disc Couplings
SFC Servo Coupling
SFF(N) Servo Coupling
Single Element Type
Double Element Type
SFF Wedge Coupling
SFS Coupling
SFM Coupling
SFH Coupling
Jaw and Spider Couplings
ALS-R
ALS-R Clamp Hub
ALS-R Set-Screw/Keyway Hub
ALS-Y
ALS-Y Clamp Hub
ALS-Y Set-Screw/Keyway Hub
ALS-B
ALS-B Clamp Hub
ALS-B Set-Screw/Keyway Hub
AL SprFlex Coupling
Bellows Couplings
Slit Style Couplings
Pin & Hub Couplings
CPE Models
CPU Models
Rigid Couplings
Spring and Coil Couplings
LM / ZG Models
MM Models
MF Models
Magnetic Couplings
Standard Coaxial Type AA
Parallel Cylinder Type EE
Orthogonal Cylinder Type BB
Cylinder x Orthogonal Disk Type BC
Orthogonal Cylinder Type DD
Shaft / Hub Locking Devices
Custom Shaft Couplings
Worldwide Partner
Network